您好,欢迎来到电源,器件库!全球现货 ·品质保障 · 闪电发货
快速响应 电源,器件,物料供应平台
您好,欢迎来到电源,器件库!全球供应 · 品质保障

GAP20-21B24

所属系列: ks3s7etd4ktiny2jvze0
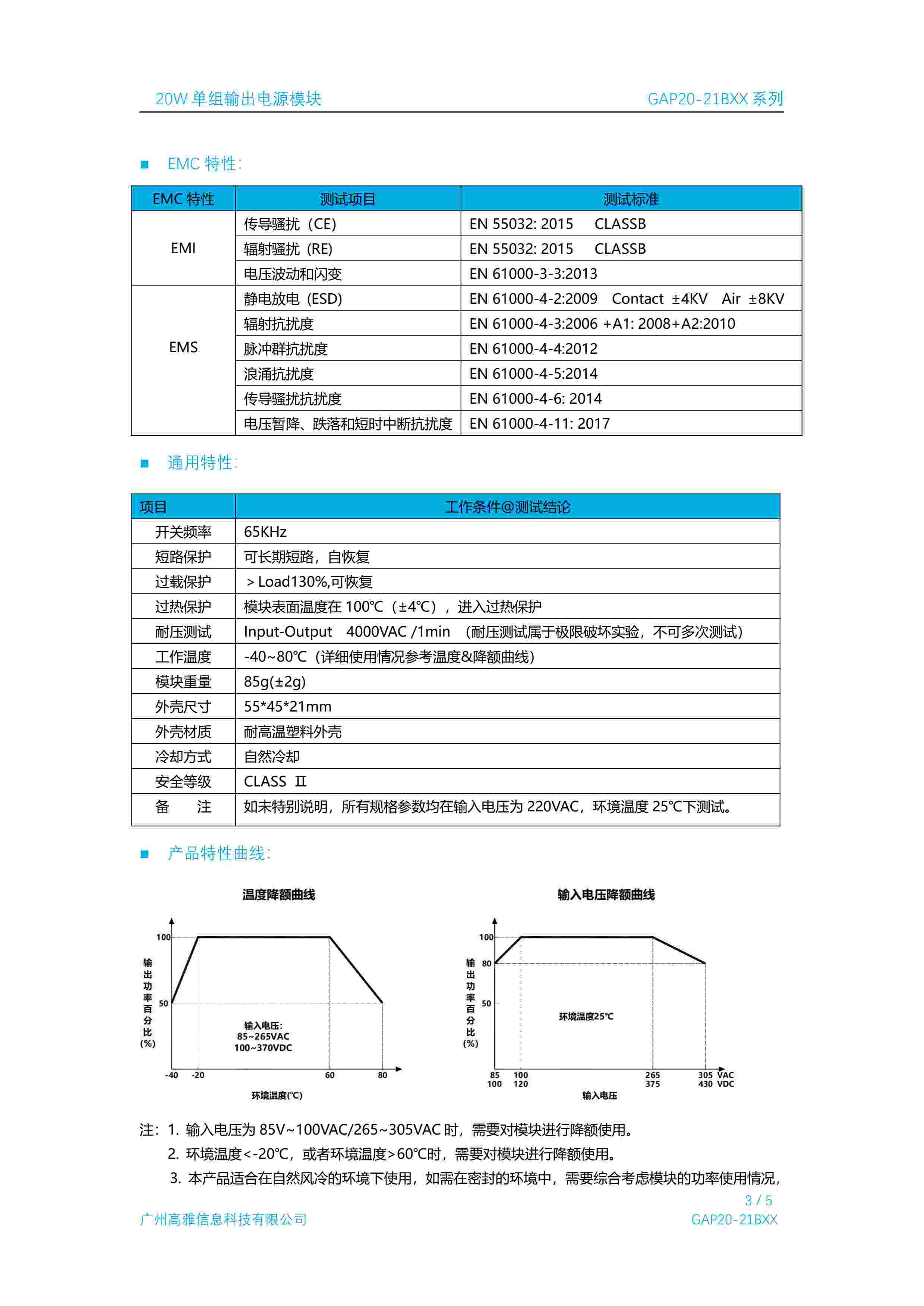
描      述: 20W 单组输出电源模块 全球通用范围交流/直流输入 ● 高效率、高功率密度 ● 隔离电压 4000VAC ● 体积小:55*45*21mm ● 保护种类:过载保护/短路保护/过热保护 ● 待机低功耗,绿色环保 ● 无需外围电路设计 、PCB 焊接方式 ● 塑料外壳自然冷却 ● 三年质保
咨询、购买请联系客服

停产品,更多需要请联络客服(替代品推荐)

发货时效:

喇叭 (1).png采购用户看公示栏,快捷反应,本品订单货号:GAP20-21B24 


相关型号  
数据手册        
13322986133
微信号: 18902851717
QQ:1034888950
1034888950@qq.com