您好,欢迎来到电源,器件库!全球现货 ·品质保障 · 闪电发货
快速响应 电源,器件,物料供应平台
您好,欢迎来到电源,器件库!全球供应 · 品质保障
首页
类目检索
品牌索引
电源模块
关于我们
浏览记录
DAP03-D12
品 牌:
MICRODC
所属系列:
dap03
描 述:
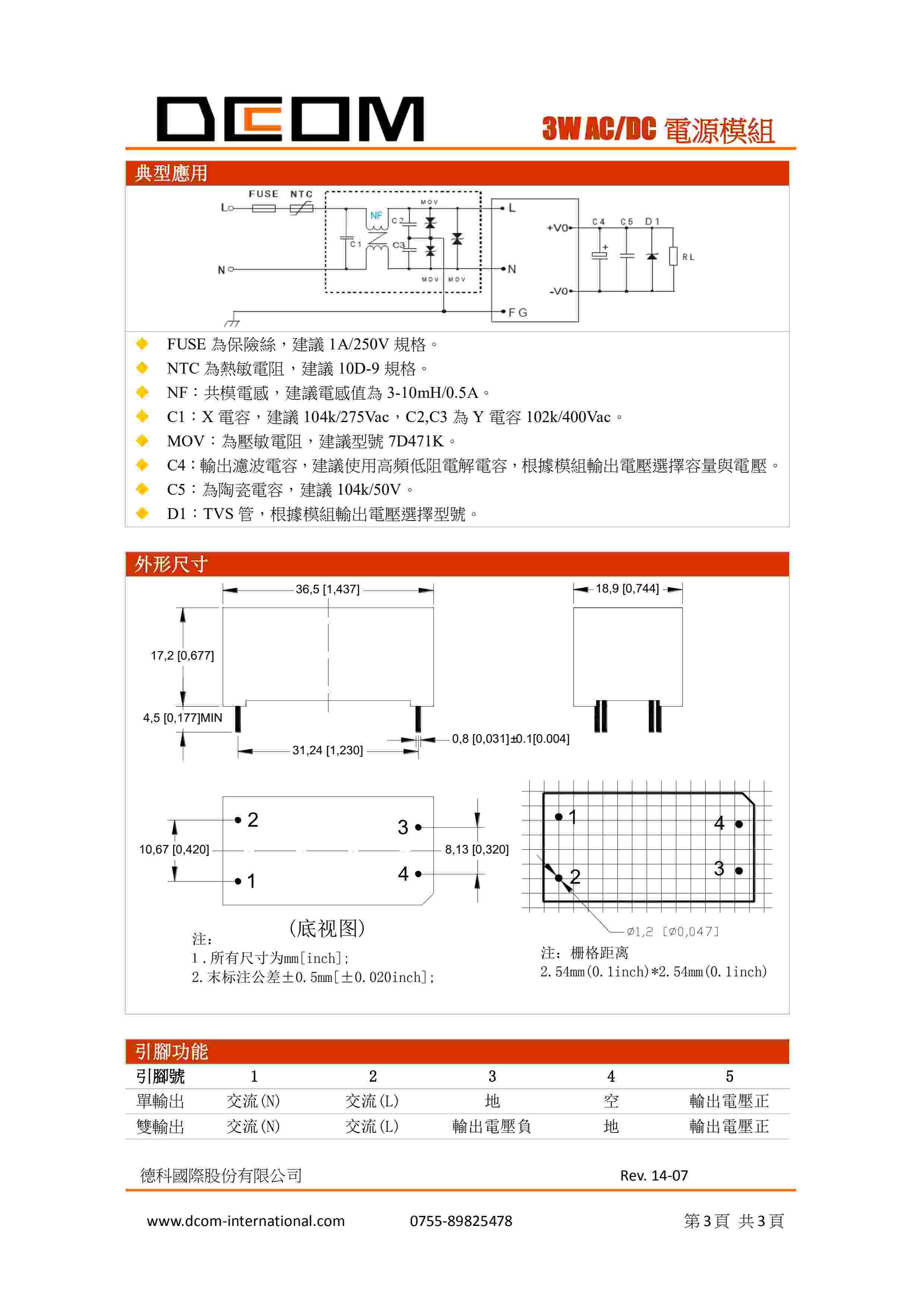
3W AC/DC 電源模組
咨询、购买请联系客服
18902851717
18902851717
1034888950
1034888950@qq.com
在线提交咨询
公示栏
快速响应
按计划出货 稳定可靠
采购用户看公示栏,快捷反应,本品订单货号:
DAP03-D12
相关型号
DAP03-S03
DAP03-S05
DAP03-S09
DAP03-S12
DAP03-S15
DAP03-S24
DAP03-D05
DAP03-D12
DAP03-D15
DAP03-D24
显示全部
数据手册
13322986133
微信号: 18902851717
QQ:1034888950
1034888950@qq.com