您好,欢迎来到电源,器件库!全球现货 ·品质保障 · 闪电发货
快速响应 电源,器件,物料供应平台
您好,欢迎来到电源,器件库!全球供应 · 品质保障

LXDC55KAAA-205

品      牌: MURATA
所属系列: LXDC2UR
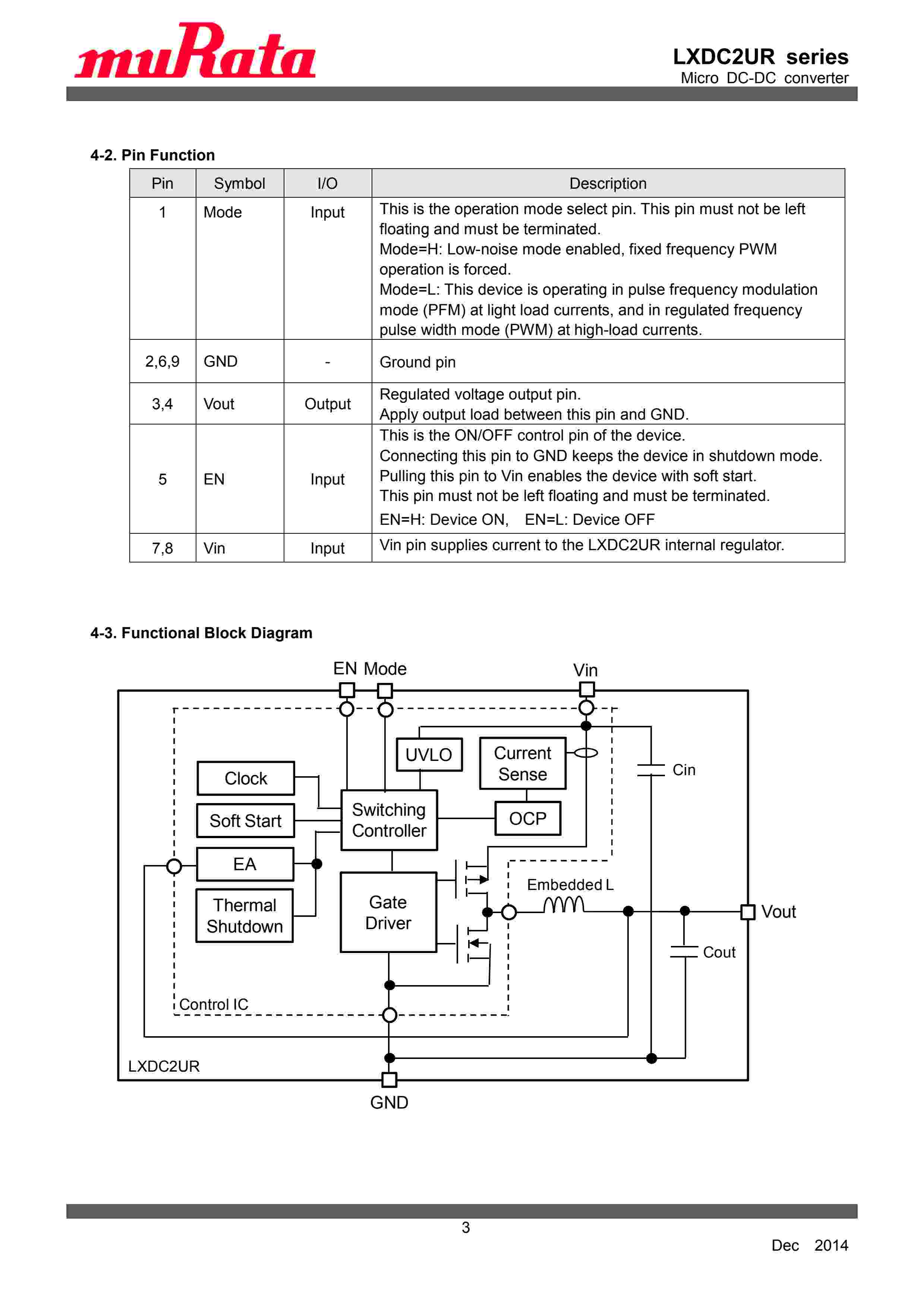
描      述:  Low EMI noise and small footprint (5.75mm2) using inductor-embedded ferrite substrate, PFM/PWM automatic mode switching function for high efficiency operation over full current range
咨询、购买请联系客服
在线提交咨询

喇叭 (1).png采购用户看公示栏,快捷反应,本品订单货号:LXDC55KAAA-205 


相关型号  
数据手册        
13322986133
微信号: 18902851717
QQ:1034888950
1034888950@qq.com